Hallo.
Ich möchte ein Schrittmotor ansteuern mit WS 2811 und Schrittmotortreiber 4899.
Habe dir Schaltung aufgebaut .Funktioniert soweit .Wie kann ich die Laufzeit des Schrittmotors verlängern .Benötige eine Laufzeit von ca 16 secunden.Wie kann ich dieses im Platterprogramm ändern.
Mfg
Schrittmotorantrieb.
-
andreakarina Verified
- Beiträge: 1
- Registriert: So 4. Mai 2025, 16:22
- Wohnort: Rheda Wiedenbrück
- Wurde bedankt: 4 mal
- Moba-Jo Verified
- Kerzenanzünder
- Beiträge: 29
- Registriert: Di 15. Apr 2025, 21:05
- Wohnort: Bad Münstereifel
- Hat sich bedankt: 70 mal
- Wurde bedankt: 94 mal
- Kontaktdaten:
Re: Schrittmotorantrieb.
Hallo Michael
Im Patterngenerator kannst Du in der Zeile "Dauer" für die jeweilige Spalte angeben, wie lange ein Befehl ablaufen soll (glaube ich).
Foto (hier steht z.B. 1 Sec.): Weitere Infos hierzu im Wiki unter https://wiki.mobaledlib.de/anleitungen/stepper/signale
Hier in der Zeile "Dauer" in Spalte 2 oder 4 einen Wert eintragen.
Ansonsten gerne hier Deine Pattern-Datei hochladen, evtl. kann jemand dann weiterhelfen.
LG Jochem
Im Patterngenerator kannst Du in der Zeile "Dauer" für die jeweilige Spalte angeben, wie lange ein Befehl ablaufen soll (glaube ich).
Foto (hier steht z.B. 1 Sec.): Weitere Infos hierzu im Wiki unter https://wiki.mobaledlib.de/anleitungen/stepper/signale
Hier in der Zeile "Dauer" in Spalte 2 oder 4 einen Wert eintragen.
Ansonsten gerne hier Deine Pattern-Datei hochladen, evtl. kann jemand dann weiterhelfen.
LG Jochem
--------------------------------------------------
Traincontroller Gold V10 / DiCostation
Rückmelde- u. Schaltdecoder von Littfinski
MobaLedLib für Häuserbeleuchtung, Lichtsignale, Sound, Servosteuerung, Deckenbeleuchtung, sonstige Schaltvorgänge (mittels Relais)
Traincontroller Gold V10 / DiCostation
Rückmelde- u. Schaltdecoder von Littfinski
MobaLedLib für Häuserbeleuchtung, Lichtsignale, Sound, Servosteuerung, Deckenbeleuchtung, sonstige Schaltvorgänge (mittels Relais)
- TMaa Verified
- MLL-TEAM

- Beiträge: 61
- Registriert: Mi 9. Apr 2025, 18:12
- Wohnort: Best/NL
- Hat sich bedankt: 231 mal
- Wurde bedankt: 238 mal
Re: Schrittmotorantrieb.
andreakarina hat geschrieben: So 4. Mai 2025, 20:39Ich möchte ein Schrittmotor ansteuern mit WS 2811 und Schrittmotortreiber 4899.
Hallo Michael,
Während eines Stammtisches zeigte uns Hardi, wie man mit MobaLedLib einen Schrittmotor programmiert.
Stammtisch Januar 2023: https://wiki.mobaledlib.de/stammtische/ ... anuar_2023
Im Videobereich finden Sie weitere Aufnahmen, in denen Schrittmotoren besprochen werden. Schauen Sie dazu im Index der betreffenden Aufnahme nach, dort werden Sie fündig. (https://wiki.mobaledlib.de/stammtische/ ... uebersicht)
Grüße,
Theo
Damals: Estorf (Nienburg/Weser) entlang der Strecke Nienburg–Minden (Natobahn)
- raily74 Verified
- MLL-TEAM

- Beiträge: 286
- Registriert: Di 8. Apr 2025, 20:48
- Wohnort: Kassel (LK)
- Hat sich bedankt: 598 mal
- Wurde bedankt: 1215 mal
- Kontaktdaten:
Re: Schrittmotorantrieb.
Hallo Michael,
das geht nur hardwareseitig per Ultramicrostepping.
Voraussetzung ist, dass du zur Steuerung die Stepper-Platine 550 einsetzt. Auf dieser gibt es eine Möglichkeit, die Geschwindigkeit auf 1/176 zu drosseln.
Wenn dir eine Auflösung von 1/16 schon reicht (also aktuell eine Sekunde von einem zum anderen Abschlag), dann solltest du mal einen Blick in @Theos Schaltplan des MLL Steppers werfen.

Leider fehlt in deinem Eingangsbeitrag jegliche Information zu der Schaltung, die du dir aufgebaut hast. Für qualifizierte Antworten brauchen wir mehr Details.
das geht nur hardwareseitig per Ultramicrostepping.
Voraussetzung ist, dass du zur Steuerung die Stepper-Platine 550 einsetzt. Auf dieser gibt es eine Möglichkeit, die Geschwindigkeit auf 1/176 zu drosseln.
Wenn dir eine Auflösung von 1/16 schon reicht (also aktuell eine Sekunde von einem zum anderen Abschlag), dann solltest du mal einen Blick in @Theos Schaltplan des MLL Steppers werfen.

Leider fehlt in deinem Eingangsbeitrag jegliche Information zu der Schaltung, die du dir aufgebaut hast. Für qualifizierte Antworten brauchen wir mehr Details.
Viele Grüße, Michael
Das 3-Generationen-Projekt | H0-Epoche V Anlage im Bau ─ YouTube MLL | Erwecke deine Modellbahn zum Leben
Neu! Die MLL-Suche | Teste sie jetzt! Du wirst begeistert sein. ─ MobaLedLib Wiki | Alle Lösungen zentral an einem Ort
Manchmal ist neben der Spur auch ein schöner Weg!
Das 3-Generationen-Projekt | H0-Epoche V Anlage im Bau ─ YouTube MLL | Erwecke deine Modellbahn zum Leben
Neu! Die MLL-Suche | Teste sie jetzt! Du wirst begeistert sein. ─ MobaLedLib Wiki | Alle Lösungen zentral an einem Ort
Manchmal ist neben der Spur auch ein schöner Weg!
-
DanielS Verified
- MLL-TEAM

- Beiträge: 43
- Registriert: Mi 9. Apr 2025, 23:21
- Wohnort: Lichtenfels
- Hat sich bedankt: 83 mal
- Wurde bedankt: 129 mal
Re: Schrittmotorantrieb.
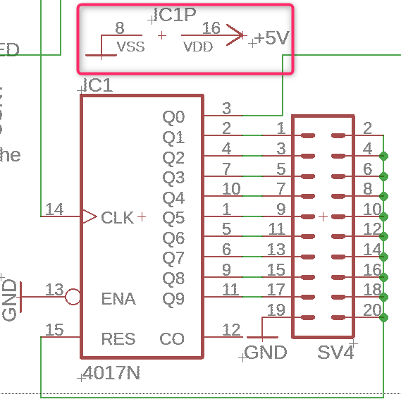
Hallo zusammen,raily74 hat geschrieben: Mo 5. Mai 2025, 21:00Voraussetzung ist, dass du zur Steuerung die Stepper-Platine 550 einsetzt. Auf dieser gibt es eine Möglichkeit, die Geschwindigkeit auf 1/176 zu drosseln.
ACHTUNG: der IC4017, der für das Ultramicrostepping verantworlich ist, hat im Platinenlayout keine Spannugsversorgung und funktioniert daher nicht:
Ich hatte das Problem gehabt und Hardi hat mir ein Workaround gezeigt: diese Verbindungen müssen hergestellt werden, sonst dreht sich nichts. Im normalen Betrieb ohne das IC4017 ist der Umbau nicht notwendig.
Viele Grüße
Daniel
Daniel
-
Dominik Verified
- MLL-TEAM

- Beiträge: 145
- Registriert: Di 8. Apr 2025, 16:17
- Hat sich bedankt: 340 mal
- Wurde bedankt: 357 mal
Re: Schrittmotorantrieb.
Hallo alle zusammen
das Problem mit der Spannung ist aber nur auf der Version 1.0 vorhanden.
Bei der Version 1.0.1, wurde es behoben. Erkennbar ist das unter anderem daran, dass das Lötpad für GND (blaue Leitung) nach oben eine kleine Nase hat. Bei VCC ist diese Nase auf der Oberseite zu sehen.
Liebe Grüße
Dominik
das Problem mit der Spannung ist aber nur auf der Version 1.0 vorhanden.
Bei der Version 1.0.1, wurde es behoben. Erkennbar ist das unter anderem daran, dass das Lötpad für GND (blaue Leitung) nach oben eine kleine Nase hat. Bei VCC ist diese Nase auf der Oberseite zu sehen.
Liebe Grüße
Dominik
Alle Informationen und auch die Bauanleitungen zur MobaLedLib findet ihr hier: https://wiki.mobaledlib.de/
Der Shop der MobaLedLib ist hier zu finden: https://shop.mobaledlib.de
Den Generator für Hilfeanfragen im Forum findet Ihr hier: https://help.mobaledlib.de
Der Shop der MobaLedLib ist hier zu finden: https://shop.mobaledlib.de
Den Generator für Hilfeanfragen im Forum findet Ihr hier: https://help.mobaledlib.de
